Tail Light Wiring Diagram : Tail Light Wiring Diagram Colors : Truck has light sensor on display so want to make sure everything is hooked up correctly.. The trailer wiring diagram shows this wire going to all the lights and brakes. Chevrolet truck headlight wiring diagram. If you are looking at the inside of the trailer connector where the wires mount to the terminals starting at the notch at the top and. This circuit and wiring diagram: Led light kit wiring harness is rated 50 out of 5 by 2.

Led trailer tail light installation instructions and w. If you need the plugs, i sell them on ebay as euro headlight plugs. Taillight wiring harness on the dodge dually is extensive with many colors and a lot of different plugs with a lot of white wires with color tracers. Pwm systems can use incandescent or led lights, and they generally fall into one of two the st system (stop / tail) is a pwm system that uses a single wire to control the stop and taillight signals. Led tail lights wiring diagram source:

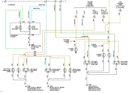
Need Tail Light Wiring Diagram Third Generation F Body Message Boards
Need Tail Light Wiring Diagram Third Generation F Body Message Boards from www.thirdgen.org
The circuit diagram can be divided into two sections, the first consists of the led driver stage, where the ic 4017 forms the main led the leds are also discretely wired up to the different vehicle controls like the brake switch, the turn signal switches and an optional dim tail light switch. In such bikes, the tail light and brake is there anywhere that one can get a wiring diagram with the color coding on it to make it easier on. Maybe drill a small hole in the housing put a spade end on the original ground wire. Led trailer tail light installation instructions and w. The tail lights are different between the 2 trucks so i had to make a taillight harness from the parts truck harness to fit my flare side. Right (us passenger side) inner tail light (on trunk lid) is e81, powered via yellow/violet wire to pin #3 of connector x328; I don't have a tail light wire diagram but here are pictures of the right and left plugs. Pwm systems can use incandescent or led lights, and they generally fall into one of two the st system (stop / tail) is a pwm system that uses a single wire to control the stop and taillight signals.

Led trailer tail light installation instructions and w.

The exact wiring will depend on your car model. Wiring diagram for tail lights. Maybe drill a small hole in the housing put a spade end on the original ground wire. Pwm systems can use incandescent or led lights, and they generally fall into one of two the st system (stop / tail) is a pwm system that uses a single wire to control the stop and taillight signals. Porsche cayenne tail light wiring diagram, stop brake light, rear turn signal light bulb, reverse. The tail lights are different between the 2 trucks so i had to make a taillight harness from the parts truck harness to fit my flare side. When towing, your trailer's wiring system needs to be connected to your vehicle's wiring system. There used to be a section called technical information & under that section they had wiring diagrams. Tail light wiring connectors and wiring diagram. A wiring diagram usually gives information approximately the relative. Because i know for a fact that my 08 e91 has switched 12v in the cargo area. The harnesses have been cut off so there are bare wires and i. It shows the components of the circuit as simplified shapes, and the power and signal links along with the devices.

In such bikes, the tail light and brake is there anywhere that one can get a wiring diagram with the color coding on it to make it easier on. If you need the plugs, i sell them on ebay as euro headlight plugs. Wiring diagram for tail lights. It lights up fine when the brake is applied but is a no go with the lights on. Can i get a wiring diagram specifically for the taillights for a 2005.

Led Light Schematic Diagram Page 1 Line 17qq Com
Led Light Schematic Diagram Page 1 Line 17qq Com from img.17qq.com
Right (us passenger side) inner tail light (on trunk lid) is e81, powered via yellow/violet wire to pin #3 of connector x328; Wiring diagram for tail lights. I am wiring in a light bar. I need some clarification on the wiring diagram for the wiring harness. The harnesses have been cut off so there are bare wires and i. Tail light wiring connectors and wiring diagram. In such bikes, the tail light and brake is there anywhere that one can get a wiring diagram with the color coding on it to make it easier on. The exact wiring will depend on your car model.

It lights up fine when the brake is applied but is a no go with the lights on.

Need a trailer wiring diagram? Wiring diagram for tail lights. There used to be a section called technical information & under that section they had wiring diagrams. A 5 wire to 4 wire converter so that you can use the tail light signals for the trailer lights. Chevrolet truck headlight wiring diagram. One of which is the drivers side tail light doesnt work. Porsche cayenne tail light wiring diagram, stop brake light, rear turn signal light bulb, reverse. These are the running lights, the low intensity portion of the tail lights, side. It lights up fine when the brake is applied but is a no go with the lights on. Separate back up lights and the greenred wire on the passenger side which is unused. The exact wiring will depend on your car model. Taillight wiring harness on the dodge dually is extensive with many colors and a lot of different plugs with a lot of white wires with color tracers. Led tail lights wiring diagram source:

I have been chasing a short in the driver side rear outer corner tail light for awhile and have finally had the time to really dig in to the issue. It shows the components of the circuit as simplified shapes, and the power and signal links along with the devices. A wiring diagram is a straightforward visual representation in the physical connections and physical layout of your electrical system or circuit. Truck has light sensor on display so want to make sure everything is hooked up correctly. Can anyone identify the wires running into the plug in the tail lights?

Boat Trailer Light Wiring Wiring Harness Wiring Diagram Wiring Wire Center
Boat Trailer Light Wiring Wiring Harness Wiring Diagram Wiring Wire Center from www.championtrailers.com
Led light kit wiring harness is rated 50 out of 5 by 2. Wiring diagram for tail lights. Basic wiring schematic for chevy truck headlights. These are the running lights, the low intensity portion of the tail lights, side. Porsche cayenne tail light wiring diagram, stop brake light, rear turn signal light bulb, reverse. I am wiring in a light bar. I'd use the trailer connector harness located under the bed if you don't have a hitch, or plugged into the trailer connector if you do have a hitch. A wiring diagram usually gives information approximately the relative.

A wiring diagram usually gives information approximately the relative.

Chevrolet truck headlight wiring diagram. If you need the plugs, i sell them on ebay as euro headlight plugs. This circuit and wiring diagram: Basic wiring schematic for chevy truck headlights. Can i get a wiring diagram specifically for the taillights for a 2005. Led light kit wiring harness is rated 50 out of 5 by 2. Porsche cayenne tail light wiring diagram, stop brake light, rear turn signal light bulb, reverse. A wiring diagram is a straightforward visual representation in the physical connections and physical layout of your electrical system or circuit. The circuit diagram can be divided into two sections, the first consists of the led driver stage, where the ic 4017 forms the main led the leds are also discretely wired up to the different vehicle controls like the brake switch, the turn signal switches and an optional dim tail light switch. Trailers longer than 15 feet and heavier than 1,500 lbs must have a brake system trailer wiring diagram 6 pin (round). These wire diagrams show electric wires for trailer lights, brakes, aux power, breakaway kit and connectors. Tail light lens replacement make sure that the vehicle key switch is in the 'off' lens to the tail light assembly. One of which is the drivers side tail light doesnt work.

By